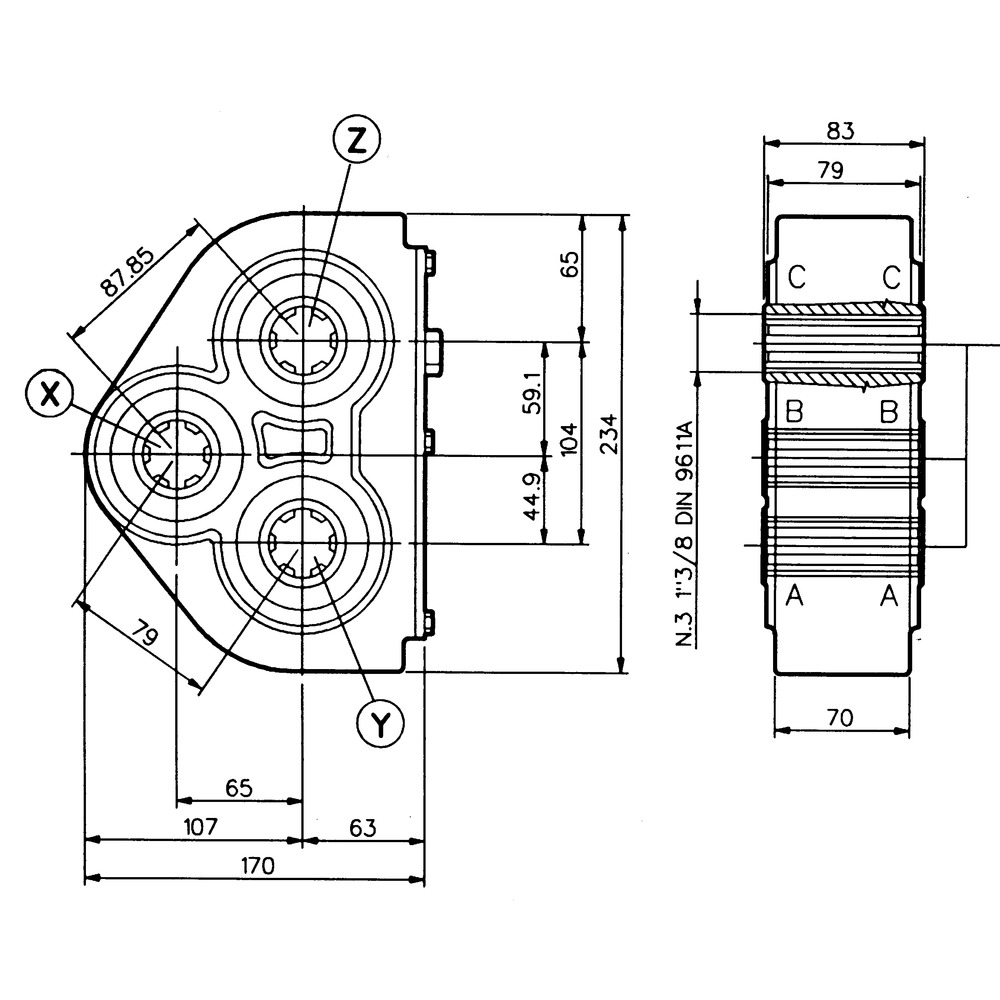
Mit 5 verschiedenen Einsatzmöglichkeiten.1) Eingang X, Ausgang Y: Untersetzung 2:1 mit Drehrichtungsumkehr 2) Eingang X, Ausgang Z: Untersetzung 2:1 mit gleichbleibender Drehrichtung 3) Eingang Z (Y), Ausgang Y (Z): Übersetzung 1:1 mit Drehrichtungsumkehr 4) Eingang Y, Ausgang X: Übersetzung 1:2 mit Drehrichtungsumkehr 5) Eingang Z, Ausgang X: Übersetzung 1:2 mit gleichbleibender Drehrichtung.
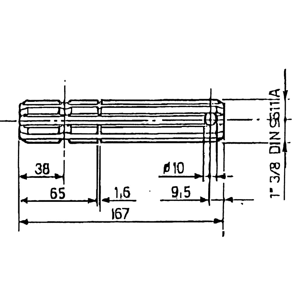
Technische Daten: 14,7 kW, 540 U/min oder 1000 U/min, Anschlüsse: 3x13/8x6 (Innenprofil). 1 Stück Zapfwellenstummel (lt. Abb.) im Lieferumfang enthalten. Am Getriebe ist eine Befestigungs-konsole angebracht. Gefüllt mit Getriebeschleim EPO-0,3 kg.Im allgemeinen führen Drehmomentspitzen bis zum 2-fachen des Nenndrehmoments zu keiner Beschädigung der einzelnen Getriebebauteile. Vollständige Unversehrtheit kann jedoch nur durch eine geeignete Sicherheitsvorrichtung gewährleistet werden.
Downloads
Zu diesem Artikel sind keine Downloads verfügbar
Hersteller
Bondioli + Pavesi Gesellschaft.m.b.H.
Im Neugrund 8
64521 Groß-Gerau
Bewertungen
0 von 0 Bewertungen
Bewerte dieses Produkt!
Teile Deine Erfahrungen mit anderen Kunden.
Anmelden
Keine Bewertungen gefunden. Teile Deine Erfahrungen mit anderen.
Es sind noch keine Fragen zu diesem Artikel vorhanden.
Funktionale Cookies sind für die Funktionalität des Webshops unbedingt erforderlich. Diese Cookies ordnen Ihrem Browser eine eindeutige zufällige ID zu damit Ihr ungehindertes Einkaufserlebnis über mehrere Seitenaufrufe hinweg gewährleistet werden kann.
Userlike:
Userlike stellt einen Live Chat für Seitenbenutzer zur Verfügung. Über das Cookie wird die Funktion der Anwendung über mehrere Seitenaufrufe hinweg sicher gestellt.
Gespeicherte Daten:
Shopware Analytics fügt die folgenden Daten zum Local Storage des Browsers hinzu, bis die Zustimmung widerrufen wird: _swa_anonymousId (eine eindeutige Kennung des Besuchers), _swa_userTraits (Benutzermerkmale des Besuchers).
Mollie Payment:
Dieses Cookie wird verwendet, um alle Ereignisse zu gruppieren, die von einer einzelnen Benutzersitzung auf mehreren Checkout-Seiten generiert wurden.
IP-Targeting und Spracherkennung:
Speichert die Erkennung der Browsersprache und des zugehörigen Landes aufgrund der IP-Adresse.
IP-Targeting erkanntes Land:
Speichert das aufgrund der IP-Adresse erkannte Land damit dieses in diversen Formularen vorausgewählt werden kann.
EAA
Countdown Banner:
Speichert den offenen oder geschlossenen Zustand des Countdown Banners.
Countdown Banner:
Speichert den offenen oder geschlossenen Zustand des Countdown Banners.
xDebug:
xDebug Session
Session:
Das Session Cookie speichert Ihre Einkaufsdaten über mehrere Seitenaufrufe hinweg und ist somit unerlässlich für Ihr persönliches Einkaufserlebnis.
CSRF-Token:
Das CSRF-Token Cookie trägt zu Ihrer Sicherheit bei. Es verstärkt die Absicherung bei Formularen gegen unerwünschte Hackangriffe.
Zeitzone:
Das Cookie wird verwendet um dem System die aktuelle Zeitzone des Benutzers zur Verfügung zu stellen.
Cookie Einstellungen:
Das Cookie wird verwendet um die Cookie Einstellungen des Seitenbenutzers über mehrere Browsersitzungen zu speichern.
Cache Behandlung:
Das Cookie wird eingesetzt um den Cache für unterschiedliche Szenarien und Seitenbenutzer zu differenzieren.
Herkunftsinformationen:
Das Cookie speichert die Herkunftsseite und die zuerst besuchte Seite des Benutzers für eine weitere Verwendung.
Aktivierte Cookies:
Speichert welche Cookies bereits vom Benutzer zum ersten Mal akzeptiert wurden.
CAPTCHA-Integration
Emarsys / Scarab:
Dieses Cookie wird für Statistiken und Shop Performance Metriken genutzt.
Userlike Messenger:
Benötigt um die Chat-Funktion auf dieser Webseite zu nutzen.
Marketing Cookies dienen dazu Werbeanzeigen auf der Webseite zielgerichtet und individuell über mehrere Seitenaufrufe und Browsersitzungen zu schalten.
Google Conversion Tracking:
Das Google Conversion Tracking Cookie wird genutzt um Conversions auf der Webseite effektiv zu erfassen. Diese Informationen werden vom Seitenbetreiber genutzt um Google AdWords Kampagnen gezielt einzusetzen.
Google AdSense:
Das Cookie wird von Google AdSense für Förderung der Werbungseffizienz auf der Webseite verwendet.
Facebook Pixel:
Das Cookie wird von Facebook genutzt um den Nutzern von Webseiten, die Dienste von Facebook einbinden, personalisierte Werbeangebote aufgrund des Nutzerverhaltens anzuzeigen.
Tracking Cookies helfen dem Shopbetreiber Informationen über das Verhalten von Nutzern auf ihrer Webseite zu sammeln und auszuwerten.
Matomo:
Das Cookie wird genutzt um Webseitenaktivitäten zu verfolgen. Die gesammelten Informationen werden zur Seitenanalyse und zur Erstellung von Statistiken verwendet.
Adcell:
Adcell verwendet Cookies um den Besucherverkehr auf der Webseite auszuwerten. Weiters kann die Herkunft von Bestellungen und die Interaktion von Werbeanzeigen nachvollzogen werden.
Hotjar:
Hotjar Cookies dienen zur Analyse von Webseitenaktivitäten der Nutzer. Der Seitenbenutzer wird dabei über das Cookie über mehrere Seitenaufrufe identifiziert und sein Verhalten analysiert.
Yandex Metrica:
Yandex Metrica Cookies werden zur der Datenverkehranalyse der Webseite eingesetzt. Dabei können Statistiken über Webseitenaktivitäten erstellt und ausgelesen werden.
Yandex Metrica:
Yandex Metrica Cookies werden zur der Datenverkehranalyse der Webseite eingesetzt. Dabei können Statistiken über Webseitenaktivitäten erstellt und ausgelesen werden.
Google Analytics:
Google Analytics wird zur der Datenverkehranalyse der Webseite eingesetzt. Dabei können Statistiken über Webseitenaktivitäten erstellt und ausgelesen werden.
Bing Ads:
Das Bing Ads Tracking Cookie wird verwendet um Informationen über die Aktivität von Besuchern auf der Website zu erstellen und für Werbeanzeigen zu nutzen.
Emarsys:
Diese Cookie dient zur Anzeige von personalisierten Produktempfehlungen im Webshop.
Service Cookies werden genutzt um dem Nutzer zusätzliche Angebote (z.B. Live Chats) auf der Webseite zur Verfügung zu stellen. Informationen, die über diese Service Cookies gewonnen werden, können möglicherweise auch zur Seitenanalyse weiterverarbeitet werden.
Tawk:
Tawk stellt einen Live Chat für Seitenbenutzer zur Verfügung. Über das Cookie wird die Funktion der Anwendung über mehrere Seitenaufrufe hinweg sicher gestellt.
Diese Cookies werden für Statistiken und Shop Performance Metriken genutzt.
Google Analytics
Kauf- und Surfverhalten mit Google Tag Manager
DooFinder
Merkzettel
YouTube-Video
Youtube / Vimeo:
Dieses Cookie ist für die Wiedergabe von Youtube-Videos erforderlich, die inkl. Cookies eingebunden wurden.
Erlaubt es Google, personenbezogene Daten für Online-Werbung und Marketing zu sammeln.
Google Werbung und Marketing
Google Tag Manager
Wir respektieren Deine Privatsphäre
Diese Website verwendet Cookies, um Dir die bestmögliche Funktionalität bieten zu können... Mehr Informationen.