--------------------------
Zur Startseite gehen

einfach besser Landwirtschaften

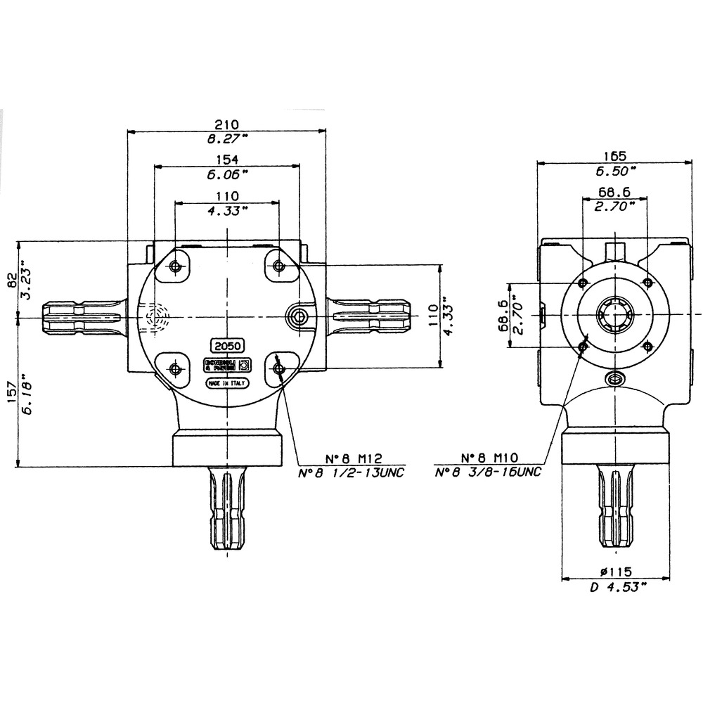
Bondioli & Pavesi Winkelgetriebe S2050 1:1 Zapfwellenprofil 1 3/8 x 6
Maximale Kraftübertragung für Profis: Bondioli & Pavesi Winkelgetriebe S2050
Wenn es auf absolute Zuverlässigkeit im Dauereinsatz ankommt, setzen Landwirte und Maschinenbauer weltweit auf die Antriebstechnik von Bondioli & Pavesi. Mit den Winkelgetrieben der Serie S2050 erhalten Sie robuste Lösungen aus hochwertigem Grauguss, die speziell für härteste mechanische Anforderungen entwickelt wurden.
Warum die Serie S2050?
Diese Getriebe bilden das Rückgrat vieler Landmaschinen – von Futtermischwagen bis hin zu Bodenbearbeitungsgeräten. Sie überzeugen durch:
Höchste Belastbarkeit: Dank der massiven Grauguss-Gehäuse bieten diese Modelle eine überragende Stabilität und Vibrationsdämpfung.
Präzise Leistung: Das S2050 ist der Allrounder für mittlere Lasten mit einer Eingangsleistung von bis zu 49 kW (66 PS) bei 540 U/min
Vielseitige Übersetzungen: Mit gängigen Übersetzungsverhältnissen (z. B. 1,91:1 oder 1:1) lassen sich die Getriebe exakt an Ihre Maschinenanforderungen anpassen.
Langlebigkeit durch Qualität: Entwickelt nach höchsten Industriestandards für minimale Wartungsintervalle und maximale Standzeiten.
Technische Highlights im Überblick, Übersetzungsverhältnis 1:1
Max. Leistung (540 U/min) ca. 49 kW / 66 PS
Max. Drehmoment am Ausgang bis zu 859 Nm (bei 540 U/min)
Material Hochwertiger Grauguss
Anwendung Düngerstreuer, kleine Mähwerke
Sichern Sie sich die Original-Qualität für Ihren Antrieb!
Egal ob als Erstausrüstung oder als langlebiges Ersatzteil – mit Bondioli & Pavesi entscheiden Sie sich für Effizienz und Sicherheit auf dem Feld.
Drehmoment Eingang bei 540 U/min (Nm): 859
Drehmoment Eingang bei 1000 U/min (Nm): 717
Drehmoment Ausgang bei 540 U/min (Nm): 859
Drehmoment Ausgang bei 1000 U/min (Nm): 717
Leistung bei 1000 U/min (kW): 75
Leistung bei 540 U/min (kW): 49
Übersetzung: 1 : 1
Zu diesem Artikel sind keine Downloads verfügbar
Bondioli + Pavesi Gesellschaft.m.b.H.
Im Neugrund 8
64521 Groß-Gerau

0 von 0 Bewertungen

Bewerte dieses Produkt!

Teile Deine Erfahrungen mit anderen Kunden.


Bitte gib eine valide E-Mail Adresse ein.
Bitte gib eine valide Frage ein.
Diese Seite ist durch reCAPTCHA geschützt und es gelten die Datenschutzrichtlinie und Nutzungsbedingungen.
Mit * gekennzeichnete Felder sind Pflichtfelder.

Es sind noch keine Fragen zu diesem Artikel vorhanden.

Der FAIE-Newsletter:
10,- Gutschein

Jetzt für den FAIE-Newsletter anmelden und 10,- Gutschein sichern!

Diese Seite ist durch reCAPTCHA geschützt und es gelten die Datenschutzrichtlinie und Nutzungsbedingungen.

Können wir Dir helfen?

Hier findest Du unsere Kontaktmöglichkeiten:

Icon

WhatsApp

Schreibe uns
Schreibe uns über WhatsApp

Icon

Instagram

zu Instagram
Besuche uns auch bei Instagram

Icon

Kundenservice

+43 (0) 7672 716 0
Rufe uns an

Icon

Kontaktformular

zum Kontaktformular
Schreibe direkt unserem Kundenservice